A Method for Preparation of Hydrophobic porous Alginate Carriers with Incorporated Microorganisms
| Publication Number: |
EP4455281A1 |
| Application Date: |
24. 4. 2023 |
| Assignee/Applicant: |
Jožef Stefan Institute [SI] |
| Inventor: |
Zugan Maja; Rybkin Iaroslav; Rijavec Tomaz; Lapanje Ales |
| Title: |
A Method for Preparation of Hydrophobic porous Alginate Carriers with Incorporated Microorganisms |
| Description: |
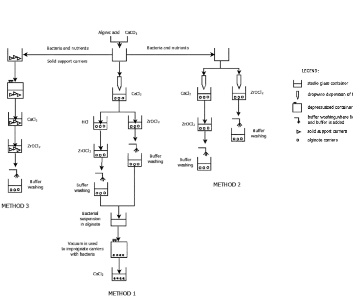
The present invention belongs to the field of biotechnology, more precisely to the field of method for preparation of products containing incorporated microorganisms. The invention relates to a method for preparation of hydrophobic porous alginate carriers containing incorporated microorganisms and alginate carriers with incorporated microorganisms prepared with said method. |
| Drawings: |
 |
| Category: |
Biological Sciences |
| Technology application codes: |
Biological sciences |
| Market application codes: |
Genetic engineering / molecular biology, Medical / health related |
| www: |
https://worldwide.espacenet.com/patent/search/family/086226640/publication/EP4455281A1?q=pn%3DEP4455281A1 |
| Patent offices: |
WIPO |